-
各種過程控制領域中氣體、蒸汽或液體的絕壓、表壓測量;?液體液位、體積或質量測量;?最高壓力可達700bar;?精度:為量程跨度的+0.075%;對于量程比大于10:1的情況,精度=量程跨度的±[0.015...
-
?各種過程控制領域中氣體、蒸汽或液體的絕壓、表壓和差壓測量;?液體液位、體積或質量測量;?與檢測元件配套測量氣體、蒸汽和液體的流量(體積流量和質量流量);訂貨信息:型號產品說明HC56...
-
?各種過程控制領域中氣體、蒸汽或液體的絕壓、表壓和差壓測量;?液體液位、體積或質量測量;?與檢測元件配套測量氣體、蒸汽和液體的流量(體積流量和質量流量);訂貨信息:型號產品說明HC58...
-
?各種過程控制領域中氣體、蒸汽或液體的絕壓、表壓和差壓測量;?液體液位、體積或質量測量;?與檢測元件配套測量氣體、蒸汽和液體的流量(體積流量和質量流量);?精度:為量程跨度的+0.075...
常見問題
液體渦輪流量傳感器是將管道中液體的流量轉換成電脈沖信號、并經過顯示儀表或計算機系統處理來完成對管道中液體流量的測量或總量計量。渦輪流量儀表包括液體渦輪流量傳感器、液體渦輪流量變送器和現場顯示渦輪流量計等,屬于速度式流量儀表。適用于清潔液體的測量,可用來測量封閉管道中的體積流量或總量。具有結構簡單、輕巧、精確度高、復現性好、反應靈敏、安裝維護使用方便等特點,廣泛應用于石油、化工、供水、食品、制藥及科研試驗等行業,是流量計量和節能的理想儀表。

式中:f—脈沖頻率
K—傳感器的儀表系數【1/L】由“校驗單”給出。
? 傳感器執行專業標準:JB/T9246-1999渦輪流量傳感器
? 被測流體溫度:普通型 -20~+120℃
防爆型 -20~70℃
? 輸入信號:兩線制輸出
輸出低電平IOL≈3mA
輸出高電平IOH≈13mA(方波)
? 負載電阻R(包括線路阻抗)在100~500Ω范圍內(根據所配置的顯示儀表或其它接收裝置輸入信號的要求,選擇合適的R值)
? 三線制輸出:VOP-P≥5V (方波)
? 電源供電:兩線制:+24VDC
三線制:+12VDC~+24VDC
? 傳輸距離:1Km
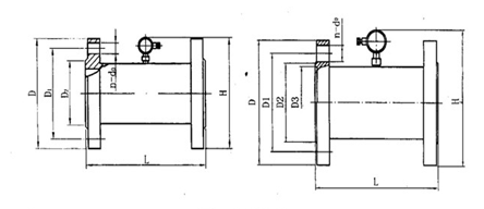
? 連接結構及尺寸:

- 上一個:現場顯示渦輪流量計-螺紋連接
- 下一個:HCGY液體渦輪流量計

